Jump to content

Recommended Posts

  • 2 months later...
  • Replies 196
  • Created
  • Last Reply

Top Posters In This Topic

Top Posters In This Topic

Posted Images

Posted

Martin has been a bit quite of late so I assume his business/job, family (he like many of us has 2 young children) and stuff have been getting his focus of late. I am sure he will update us when the time comes ;)

  • 1 month later...
Posted

The next and last panelbeating stage is the small stuff.

 

DSCF0497.jpg

 

 

 

 

 

 

 

 

Engine & box out to tidy up the engine bay

 

 

DSCF0503.jpg

 

 

DSCF0505.jpg

 

 

DSCF0513-1.jpg

 

 

DSCF0518-1.jpg

 

 

DSCF0519-1.jpg

 

 

 

 

 

 

 

Help accepted from all arigato Miu

 

DSCF0507.jpg

 

 

 

 

 

 

 

Work completed to lower the seat & rails, have suitable clearance for head height/helmet.

The cage has a lot to answer for here.

Where the inner sill and floor pan meet there is a 45 degree section to meet each other.

This is made perpendicular, dropping the seat maybe an inch, all vital gains for my swede

 

 

DSCF0508.jpg

 

DSCF0509.jpg

 

 

 

 

 

 

Issues still apparent,

- left elbow/funnybone rests on side intrusion bar of cage, this will become very annoying after a few metres drivin,

    - suggest remove each side and notch, make a bend in the bar to clear elbows and reweld both sides of the car.

- Steering wheel too close to body, get a more narrow profile boss kit for steering wheel, easily done.

 

- handbrake needs to be relocated

- battery mounted low and rearward somewhere.

 

 

DSCF0502.jpg

 

 

DSCF0501.jpg

 

 

DSCF0500.jpg

 

 

DSCF0499.jpg

 

 

DSCF0498.jpg

 

 

 

 

 

 

 

While we complete the final tin work, Ill take the time to drag a GTR box/transfer case down and see if the transfercase will clear the seat mounts/rails.

 

Looks tight.

 

DSCF0510-1.jpg

 

 

 

 

 

 

Front glass work included making the nose section more rigid, keep some vague shape while at speed.

 

 

 

 

DSCF0512-1.jpg

 

 

 

DSCF0511-1.jpg

 

 

 

 

 

 

 

 

Playing with front diff position at home, now suitable for current engine position in the zed.

 

 

BEFORE

 

DSCF0495.jpg

 

 

 

 

 

 

AFTER

 

DSCF0494.jpg

 

 

 

 

 

 

If I spread this lot around the bedroom, Id get the misses on board to complete the car....

 

DSCF0514-1.jpg

  • 1 month later...
Posted

So its another trip down to see the man John, and to run through what needs to be done.

 

Since Id rather have everything fitting as it should, he grabs the light covers back to fit them, make the holes etc.

DSCF0605.jpg

 

DSCF0606.jpg

 

 

 

 

 

 

 

 

Same goes with the mirrors, they need a backing plate under the gaurd to ensure they dont disappear at speed. Ill email him some side profiles of some zg's so he can put them where they should, all looks while little chance of them being of much use...

 

DSCF0604.jpg

 

 

 

 

 

 

 

A battery should live some place at the rear end on the passenger side, mounted low. Ill bring the gas tank back down next weekend. Ill leave the XXXL battery box alone and place a smaller gel battery in there.

 

DSCF0598.jpg

DSCF0600.jpg

DSCF0599.jpg

 

 

 

 

The seat still doesnt fit as well as it could. I cant move to a smaller seat due to me body shape, so its further choppin required. The sill area gets a full length step down from last time, and completed on both sides of the chassis. Ill also remove the seat runner on the drivers side to gain an inch, and make the seat position somewhat unadjustable. The seat brakets so allow different positions, but not easily done while in traffic..

 

DSCF0603.jpg

 

DSCF0601.jpg

 

 

 

 

 

 

Ill also make a right angle against the trans tunnel to gain a little more room, to also get the seat shoulder off the roll cage on the door side. There is a small indent to the tunnel at the rear of the seat mount, so cut it out!

 

DSCF0614.jpg

 

 

 

 

 

Bloody seats! Who choose such a small chassis>?

 

Handbrake issues, bought a GTR handbrake for a few bucks, seems like a suitable option. Will sit on top of the tunnel, but dropped into the tunnel a touch so it doesnt sit too proud.

 

DSCF0602.jpg

 

 

 

 

 

 

What is a half decent idea, is to see if a GTR box (R32) would fit into the chassis (if at any stage in the future I need my head read to progress with 4WD).

 

May as well do it now since its here.

 

Ya really feel this thing in the boot rolling around...

 

DSCF0607.jpg

 

DSCF0608.jpg

 

 

 

 

 

It may not fit due to the .....seats?

Lets do a rough check,

 

DSCF0609.jpg

 

 

 

 

 

Itll be the inner seat bracket to transfer case being the issue? Maybe...er..

 

DSCF0610.jpg

 

 

 

 

 

 

Hmmmm, looks kind of ok actually, the gods are smiling..

The white outline is roughly where an obtrusion would eminate from the tunnell, sitting under my knees, so there is plenty of room actually,

 

DSCF0611.jpg

 

 

 

 

 

What about this driveshaft going to the repositioned front diff>?

Extend a small section of floorpan to accomodate,

 

DSCF0612.jpg

 

DSCF0613.jpg

 

 

 

 

So then, to mock fit this box in, Ill bring the RB26 dummy block down next weekend, and move forward with this trial fit.

There is not much destruction required, apart from cutting of the existing gbox mounts, but they can be rewelded on later when the RWD box goes in.

I may as well make the GTR one fit, itll be easier now than later.

Posted

Martin - looks like the GTR box will sit just in front of the seat 8) just as well as you are a tall unit as with the seat a bit forward it might hit the new tunnel for the box :(

  • 2 weeks later...
Posted

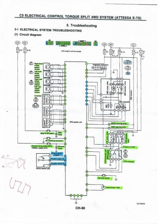
If your interested, this is the ATTESSA E-TS ECU and its wiring diagram.

 

Without understanding this, the chance of using the famous GTRs 4WD capacity and the data tables that are stored in this ECU (seperate from the engines ECU) will not happen.

 

Whats marked up in green is ok and managed by including these parts from the GTR (eg. G Force sensor) or from the 240z (eg. brake light signal).

 

Others to work out would be, range of throttle position in volts, and the engine speed signal.

 

Pluggin a meter into a R32 ECU (either E-TS or Engine) would have these values known.

Unsure if the engine speed signal would be sine or square wave at this stage.

Perhaps someone would let me gently poke a sensor probe into the input/output of either ECU from a R32?

 

 

 

Glenn Martin ?>

:-)

 

ATTESSAE-TS.jpg

 

 

 

 

 

The ABS portion of the E-TS ECU would be ignored, as these are outputs only (assumption).

I could utilise this portion later If I wanted to add more weight and complexity to the car.

  • 4 weeks later...
Posted

Ive attempted to give the panel beater 2 weeks to complete the car from his end, to get some paint applied.

 

 

 

floor squaring off around trans tunnel,

 

IMG_1212.jpg

 

IMG_1214.jpg

 

 

 

 

 

 

 

What about a handbrake?

 

Holy

 

IMG_1211.jpg

 

 

new frame, r33 gtr h.brake from parts bin,

 

IMG_1215.jpg

 

 

 

in its home, looks snug, not too proud. Will chop up standard console to make this fit.

 

IMG_1217.jpg

 

 

 

 

Make this exhaust clearance work better, and much bigger, to allow lots of heat sheilding, maybe a 4" exhaust in the future.

 

IMG_1229.jpg

 

 

 

 

 

Rear bumper aint that straight, maybe look to support this wafer thin item

 

IMG_1213.jpg

 

 

 

 

Engine bay getting there,

 

IMG_1222.jpg

 

IMG_1221.jpg

 

IMG_1220.jpg

 

 

 

Mirrors looking the part

 

IMG_1225.jpg

 

IMG_1226.jpg

 

IMG_1227.jpg

 

 

 

 

The ugly,

 

IMG_1218.jpg

 

IMG_1219.jpg

 

IMG_1223.jpg

 

 

 

 

Remedy for this 'probably' the remainder of the fugly, will be the last bigger job of panel work, some much thicker steel box section from the front castor arms to the rear exisiting subframe.

 

This will allow;

 

- The floors to get way more support from this,

- Some flat floor to be attached aka undertray-ing,

 

- Give support to the driveshaft tail hoop (in case too much traction/power makes something snap) and also the seat mounts support. Phew.

Posted

Nice love the handbrake mod.

 

I don't see the AWD hump on the side of the tunnel for the transfer case.

Not doing that now?

 

How did u go with repositioning the front diff? Ie oil pick up issue and engine bracket/mount? The original brackets will be in the way of the diff.

Were u thinking of making new brackets to sit behind or infront of the diff?

 

Btw how much room at the back from diff to floor. Would ATTESSA pumps/solenoids fit under like in gtr or have to install them elsewhere.

 

I know too many questions for something u probably not pursuing anymore sorry, but you are the best source that I can find.

 

Just trying to figure out few things that I've seen that may be bit of a pain going AWD.

 

Can't wait to see some colour on that beast of a car keep us updated

 

Posted

Nice love the handbrake mod.

 

I don't see the AWD hump on the side of the tunnel for the transfer case.

Not doing that now?

 

How did u go with repositioning the front diff? Ie oil pick up issue and engine bracket/mount? The original brackets will be in the way of the diff.

Were u thinking of making new brackets to sit behind or infront of the diff?

 

Btw how much room at the back from diff to floor. Would ATTESSA pumps/solenoids fit under like in gtr or have to install them elsewhere.

 

I know too many questions for something u probably not pursuing anymore sorry, but you are the best source that I can find.

 

Just trying to figure out few things that I've seen that may be bit of a pain going AWD.

 

Can't wait to see some colour on that beast of a car keep us updated

 

 

What you mean is, the 'monster project' in your sig is probably going to use all the GTR running gear?

Posted

shhhhhh Zeddophile not too loud  ..... maybe   :P

 

just doing my homework before i throw myself  in the deep end  ;D

 

so far looking good  8)

Posted

Wow, things are looking good.

Scott is the young chap working on the car currently, and he is doing a great job.

 

Its more fabrication now, not exactly smash repair.

 

The list of work still needed to be done has been agressively dealt to over several days.

 

Keep it up Scott.

 

 

Aluminium Mirror backing plates so they dont disappear first squeeze of the pedal.

You can wind up the spring tension to keep them holding on tighter.

 

DSCF0819.jpg

 

 

 

 

 

 

 

 

Exhaust cut out looks spot on. Plenty of room for heat sheilding, perhaps a bigger exhaust later if needed.

Some intrusion into the passenger cabin space, thats fine.

 

DSCF0799.jpg

DSCF0808.jpg

DSCF0809.jpg

 

 

 

 

 

 

 

 

 

 

Handbrake mount welded in.

Underside connection needs attention, was setup for the existing setup. Shorten the cable and modify the mount will sort this.

 

DSCF0802.jpg

DSCF0820.jpg

 

 

 

 

 

 

 

 

 

Little bits n peices sorted out, fill holes, cover old mistakes etc. Filled the bolt holes to the old bolt in cage that I bought of Mike, I still have this chromed half cage at home if anyone wants it. Dont want much for it. Its certed and looked great in the car.

 

DSCF0803.jpg

DSCF0804.jpg

DSCF0806.jpg

DSCF0807.jpg

 

 

 

 

 

 

 

Ruddy beutiful floor supports kind of more like frame rails from firewall to the existing rear diff mount. 1.6mm steel folded from sheet.

The frame protrudes into the cabin by maybe 5mm, and lower under the car by 30mm more then the old bits, which were more sad than that that vampire Robert Patinson.

 

DSCF0812.jpg

DSCF0813.jpg

DSCF0797.jpg

DSCF0800.jpg

DSCF0801.jpg

DSCF0805.jpg

DSCF0814.jpg

 

 

 

 

 

 

 

Nothing better than this in the  boot, RB26 block and a bottle of NOS.

 

Block $50 on auction site, a dummy block for fitting purposes, since it has some rather viscious damage to bores on several cylinders.

 

DSCF0796.jpg

 

 

 

 

 

 

 

 

 

Chuck the GTR box onto the dummy block and we have our fitting kit ready to go in.

At this stage I will fit this kit in, but continue to complete the car in RWD format first. Probably.

 

DSCF0816.jpg

DSCF0817.jpg

DSCF0818.jpg

 

 

 

 

 

 

 

BUT firstly,

 

Im dubious of the front frame rails being any good, actually, they are rubbish. One area under around the front crossmember is crushed somewhat. Better sort this now. To be made from 1.6mm sheet steel. We can make sure they will be level each side, making the cross member, suspension pickup[ point nice and level.

 

DSCF0811.jpg

 

 

 

 

 

 

 

 

 

 

old rubbish coming out of the car; the magazine is for the vampire mad misses. I still dont get it, really.

 

DSCF0810.jpg

 

 

 

 

 

 

 

 

Im feeling the love here, this is almost ready for colour.

 

DSCF0815.jpg

 

 

 

 

 

 

 

 

Im hoping to get the car out from here in about 10 days or less, with current progress, this looks likely.

Its only been here for coming up a couple of YEARS............. :shock:

 

Most likely watchers will die of old age before these wheels ever turn

Posted

Nice love the handbrake mod.

 

I don't see the AWD hump on the side of the tunnel for the transfer case.

Not doing that now?

 

How did u go with repositioning the front diff? Ie oil pick up issue and engine bracket/mount? The original brackets will be in the way of the diff.

Were u thinking of making new brackets to sit behind or infront of the diff?

 

Btw how much room at the back from diff to floor. Would ATTESSA pumps/solenoids fit under like in gtr or have to install them elsewhere.

 

I know too many questions for something u probably not pursuing anymore sorry, but you are the best source that I can find.

 

Just trying to figure out few things that I've seen that may be bit of a pain going AWD.

 

Can't wait to see some colour on that beast of a car keep us updated

 

 

 

many questions , not many answers.

 

hump to come , if the misses is in a good mood.

 

front diff repositioned, but still sitting in the shed. Ive sourced a 4wd rb25 block, so will make the diff fit that block, if its any different to the rb26 block. Rb25 4wd stagea front diff has different ratio to the gtr, so would blow up using the stagea diff.

 

mounts will be remade, oil pickup moved, new crossmember everything.

 

Id mount the pumps and stuff elsewhere, for good access blah blah

 

Shocking hangover today, best for ages, still managed to get to the car for progress report.

more Datsun dedication.

Posted

Martin - if you need a shorter handbrake cable - I have both the Skyline seutp here at home and the shorter S14 setup - I can drop off the S14 cable for you to look at if you like - much the same as the Skyline unit just shorter by a bit - anyway shot me an email if you want to have a look and I will pop over after work one night.

 

Cheers

Mike

 

EDIT: I also have a Pulsar front cable - much much shorter too again a pick-a-part visit :) and they might work for you too.

Posted

Holy Smoke Batman ..

 

I thought my project, 'the brown hornet' was a ridiculous and over the top! This thing just keeps growing and growing! Can't wait to see this thing in the flesh..

 

Cheers

 

Adam

Posted

Martin - if you need a shorter handbrake cable - I have both the Skyline seutp here at home and the shorter S14 setup - I can drop off the S14 cable for you to look at if you like - much the same as the Skyline unit just shorter by a bit - anyway shot me an email if you want to have a look and I will pop over after work one night.

 

Cheers

Mike

 

EDIT: I also have a Pulsar front cable - much much shorter too again a pick-a-part visit :) and they might work for you too.

 

Mike, Id be delighted to rid you of your precious parts. Evenings good. Im around this weekend for once. Cheers !

Posted

Right,

 

we may be looking good here to keep to almost a two week wrap up at the panel shop

 

It hits the sandblaster Monday, Painter Tuesday.

No paint colour chosen still. Ill drag the misses down, she is good with colour combos.

 

 

440CCA , 5.5kg battery. Grunty n light. But no good for playing the stereo outside the milkbar while doing some bird watching.

It is mounted behind the passenger seat, Motorsport NZ requires 4x8mm bolts. Will be strapped with some foam and a cover of some sort.

 

DSCF0856-1.jpg

 

 

 

 

 

 

 

Roll cage to firewall holes filled using these hoops, cut with a slot, fitted and welded.

 

DSCF0864-1.jpg

DSCF0861-1.jpg

 

 

 

 

 

 

 

Make the bonnet catch shorter to fit the rough bonnet mount to keep the thing upright.

On this note, Mike I better get your gas strut unit back, this will work fine, while even my kids could lift it in place.

 

DSCF0860-1.jpg

 

 

 

 

 

 

 

 

 

Main chassis rails were not really rusty inside, but were slightly crumpled, thinwalled steel, and detract from a moderate quailty package.

These may be 1.2mm steel thickness, rather weak.

 

DSCF0859-1.jpg

 

 

 

 

 

 

 

 

 

Cut n removed, new sections in place, levelled to be straight each side, mounts for cross member the same, sway bar mount swapped from the existing rails, since they were modified and were strong and suitable for use.

 

These have been replaced each side, from the radiator support back to the replaced rails around the castor arm pickups.

 

For the people in the know, these rails will suit a  RWD setup, not a 4WD one. Let it be heard, this car will be completed as version 1, RWD. To start.

 

Steel is 1.6mm, with additional gusset plates welded on thereafter, way stronger stuff.

 

DSCF0849.jpg

 

DSCF0850.jpg

 

DSCF0853-1.jpg

 

 

 

 

 

 

Some good comparisons old/n/new chassis rails.

 

DSCF0857-1.jpg

 

 

 

Under front gaurds should be heated and scrapped of old tar stuff and ready for sandblast smooth ready for paint.

 

DSCF0851.jpg

 

 

 

 

 

 

 

Ready for lift off

 

Showed Dr Greg Taylor the recent updates, he seems impressed. He manages/funds the Kiwi Team Nurburgring every year, knows a thing or two about race cars. He has also helped me with car storage (for many years filling his barn full of precious Datsun cr*p), advice etc. He does reconstruction surgery, breat augmentation and general tidying up of body parts if your interested, or needing a bit of this help. Not one to need this help, give him a bell if you do.

 

Dr Taylor - The Dad inlaw

 

 

Pity that his son Alistair needs some driving advice after righting off the Audi RS4 then setting fire to the thing at the 'ring

 

da ring burner

 

 

DSCF0854-1.jpg

 

DSCF0855-1.jpg

 

 

 

 

 

 

Tired and ready for the pub now, checking out the Hawkes Bay this weekend, a great place.

Posted

Finally rolled up to the painters.

 

He reckons 3 weeks to complete the job.

 

I dropped all the materials off, of which we have;

 

- bar coat - to join old paints with new in just a few areas,

- etch primer - to cover bare metal in just a few palces, front inner gaurds etc.

- high build primer - to cover all the outside, in prep for the colour after blocking some amount of times

- colour

- clear

- thinners

- hardeners

- masking tape

- etc

 

the sandblaster did a good job, and took him 36hrs from car entering shop to car being towed out.

 

he etch primed all the sanblasted areas 30 mins after completing the blast, letting it dry off overnight.

 

DSCF0966.jpg

 

DSCF0967.jpg

 

DSCF0968.jpg

 

DSCF0969.jpg

 

DSCF0971.jpg

 

DSCF0972.jpg

 

DSCF0973.jpg

 

DSCF0974.jpg

 

DSCF0975.jpg

 

 

DSCF0976.jpg

 

DSCF0977.jpg

 

DSCF0978.jpg

 

DSCF0979.jpg

 

DSCF0980.jpg

 

DSCF0981.jpg

 

 

DSCF0982.jpg

 

DSCF0983.jpg

Posted

Nice job as always. Will you be running any type of bonnet vent at all. Reason I ask is the positioning of the bonnet catches pretty much intrude on where the 260z vents go? I'd like to fit those vents as well but that is the easiest place for the pins.

Cheers

Posted

Nice job as always. Will you be running any type of bonnet vent at all. Reason I ask is the positioning of the bonnet catches pretty much intrude on where the 260z vents go? I'd like to fit those vents as well but that is the easiest place for the pins.

Cheers

 

thanks,

re vents, nothing planned. The body is in its final guise.

Join the conversation

You can post now and register later. If you have an account, sign in now to post with your account.
Note: Your post will require moderator approval before it will be visible.

Guest
Reply to this topic...

×   Pasted as rich text.   Paste as plain text instead

  Only 75 emoji are allowed.

×   Your link has been automatically embedded.   Display as a link instead

×   Your previous content has been restored.   Clear editor

×   You cannot paste images directly. Upload or insert images from URL.


×
×
  • Create New...